常用加工中心编程G代码大全,附加工编程的案例
文章出处:
人气:8122
发表时间:2020-08-18 06:50:59
做为1个数控加工中心实际操作人士,对程序代码肯定不陌生。G代码是较为普遍的加工中心程序代码,较常用的命令如下图:


接下来这里将按照产品工件加工的案例来让各位更快的正确理解加工中心程序代码的运用。
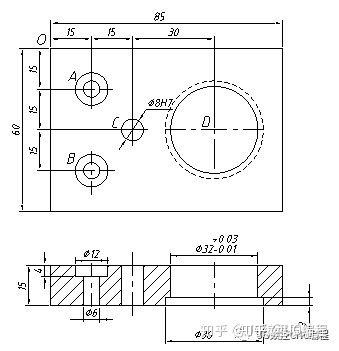
下面的图为一长方型板类工件,产品工件材质为45号钢,六面已加工,咱们来具体分析孔制作工艺及编写该工件的加工流程。


工件加工工艺具体分析
如下图所示的工件,其上现有4个孔,2个高精准度要求不高的φ6/φ12的沉头孔,是可以直接钻头钻穿,后选用φ12的立铣刀扩出沉孔。φ8H7的通孔要求高精准度较高,是可以先选用φ7.8的钻头先钻穿,留0.2mm的加工余量采取铰削加工,确保高精准度。φ36的沉孔考虑到确保孔的同轴度和表面的垂直度是可以选用背镗工艺,因而该工件准备的制作工艺流程如下所示:
(1)为确保孔间距高精准度,先选用中心钻点孔。
(2)选用φ6的钻头钻削2个φ6孔。
(3)选用φ7.8钻头钻削φ8孔留加工余量0.2mm。
(4)选用φ30钻头钻留加工余量2mm。
(5)扩φ12沉孔。
(6)粗镗φ32孔留加工余量0.03mm。
(7)背镗φ36孔至外形尺寸。
(8)铰φ8H7。
(9)精镗φ32孔。
2、刀具及切削用量的采用
加工工件想要的刀具及其切削用量采用见表。


3、确认编程原点所在位置及相应的数值计算
按照工艺具体分析,为便于计算与编程,如图10.1一样,选左上方的O点为产品工件坐标系原点。4个定位点的坐标值如下所示:
A(X=15.00Y=-15.00)B(X=15.00Y=-45.00)
C(X=30.00Y=-30.00)D(X=60.00Y=-30.00)
4、参考流程






5、加工注意的问题
(1)装夹镗刀杆时,要需注意第一步运用M19控制好准定方位,此外,需注意控制系统内设的退刀的方向。
(2)在首件加工要按选择性暂停按钮,调整好刀具,控制精度
本文介绍就到这了,也希望能帮助到你,喜欢的话是可以转发分享关注点一下。
此文关键字:常用,加工中心,编程,代码,大全,附,加工,的,
同类文章排行
- 自动换刀与加工连续性:现代数控机床的效率引擎
- 机械加工中如何避免刀具磨损
- 五轴加工多出的“两轴”是什么?
- 复合材料高精度加工:解决崩边、毛刺与精度偏差的全方案
- 面向高端制造:复材金属混合零件的精密加工指南
- 斗笠式刀庫換刀流程
- 炮塔铣床3号4号5号怎么区别
- 常用加工中心编程G代码大全,附加工编程的案例
- 数控铣床切削时刀具产生径向跳动的原因及解决方法
- 850加工中心常见故障分析















