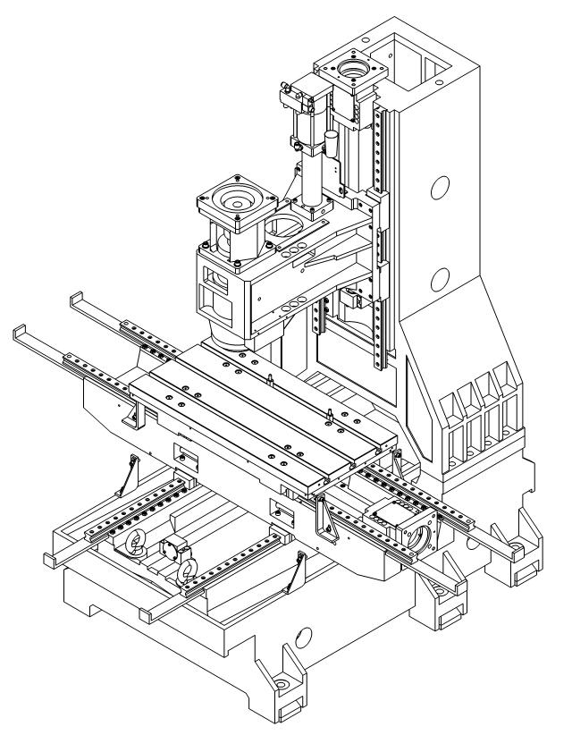
850线轨加工中心
文章出处:
人气:3254
发表时间:2020-09-16 05:53:50
850线轨加工中心,线轨有滚珠和滚柱两种,线轨运动速度快,精度高,稳定性好。 线轨经过预紧处理可达到轨道间零间隙以及各方向上的满承载能力,硬轨有叫宽轨或方轨,硬轨运动要在移动表面存在间隙,才能进行运动,且摩擦系数较大,容易产生粘连,导致加工误差。多用于重载的情况下 。
下面我们来看一下云南台正加工中心光机厂的V8的参数:

下面我们来看一下云南台正加工中心光机厂的V8的参数:

工作台尺寸(mm) 450×900
X轴行程(mm) 800
Y轴行程(mm) 500
主轴箱上下行程(mm) 500
主轴最高转速(rpm) 12000(直联主轴)
主轴中心距立柱导轨面距离(mm) 524
主轴端面距工作台面距离(mm) 170-670
工作台T型槽(数目-尺寸*间距) 3-18*130
主轴 BT40,φl40 (短鼻端)
X. Y轴滚珠丝杆规格 3616
Z轴滚珠丝杆规格 3616
X轴线轨规格 RGW35HC
Y轴线轨规格 RGW35HC
Z轴线轨规格 RGH35HA
X.Y. Z电机联接方式 直联
推荐选用主电机功率(kW) 7.5
选用X.Y、Z向电机参数(三额定扭矩 12、 12、 22
X、Y、Z快速移动速度(mmin) 48、 48、 48
工作台承重 500kg
光机净重约 2.8t
备注 “人'字型立柱
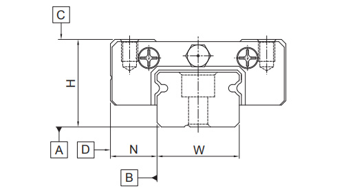
上银导轨上银导轨精度分为C(普通)、H(高)、P(精密)、SP(超精密)、UP(超高精密),客户可根据应用设备具体条件,选择适合精度需求。台湾上银为客户需求研发生产了多种系列直线导轨,不同系列应用于不同类型设备,同理不同系列,精度也不一样,下面小昂具体介绍不同系列,上银导轨精度怎么区分?

上银导轨精度定义:分为组合精度和单出精度,组合精度:组合高度H测量以滑块上部基准面中心位置为准,组合宽度N测量以滑块侧边基准面中心位置为准。单出精度:互换型上银导轨滑块单独组装与单支导轨之成对高与宽的精度与非互换型上银导轨精度相同,但若组装于不同支导轨上,因导轨高度的误差,其成对高度精度比非互换性精度稍有逊色,平行行走精度是一样的。
上银导轨上银导轨精度分为C(普通)、H(高)、P(精密)、SP(超精密)、UP(超高精密),客户可根据应用设备具体条件,选择适合精度需求。台湾上银为客户需求研发生产了多种系列直线导轨,不同系列应用于不同类型设备,同理不同系列,精度也不一样,下面小昂具体介绍不同系列,上银导轨精度怎么区分?

上银导轨精度定义:分为组合精度和单出精度,组合精度:组合高度H测量以滑块上部基准面中心位置为准,组合宽度N测量以滑块侧边基准面中心位置为准。单出精度:互换型上银导轨滑块单独组装与单支导轨之成对高与宽的精度与非互换型上银导轨精度相同,但若组装于不同支导轨上,因导轨高度的误差,其成对高度精度比非互换性精度稍有逊色,平行行走精度是一样的。
上一篇:没有了!下一篇:1060线轨加工中心参数
此文关键字:850线轨加工中心















